
Dans les chapitres précédents, nous avons vu ce qu'il y a à l'intérieur des diverses mémoires. Nous avons abordé des généralités qui valent aussi bien pour des mémoires ROM, RAM, de masse, ou autres. Et il va de soi qu'après avoir vu les généralités, nous allons passer sur les spécificités de chaque type de mémoire. Nous allons d'abord étudier les mémoires ROM, pour une raison simple : l'intérieur de ces mémoires est très simple. Il faut dire qu'il s'agit de mémoires de faible capacité, dont les besoins en termes de performance sont souvent assez frustres, les seules ROM à haute performance étant les mémoires Flash. En conséquence, elles intègrent peu d'optimisations qui complexifient leur micro-architecture.
Rappelons qu'il existe plusieurs types de mémoires ROM :
- les mémoires ROM sont fournies déjà programmées et ne peuvent pas être reprogrammées ;
- les mémoires PROM sont fournies intégralement vierges, et on peut les programmer une seule fois ;
- les mémoires RPROM sont reprogrammables, ce qui signifie qu'on peut les effacer pour les programmer plusieurs fois ;
- les mémoires EPROM s'effacent avec des rayons UV et peuvent être reprogrammées plusieurs fois de suite ;
- certaines EPROM peuvent être effacées par des moyens électriques : ce sont les mémoires EEPROM et les mémoires Flash.
Toutes ces mémoires ROM ont un contrôleur mémoire limité à son plus simple appareil : un simple décodeur pour gérer les adresses. Les circuits d'interface avec la mémoire sont aussi très simples et se limitent le plus souvent à un petit circuit combinatoire. Le plan mémoire est des plus classiques et ce chapitre ne l'abordera pas, pour ne pas répéter ce qui a été vu dans les chapitres précédents. Seuls les cellules mémoires se démarquent un petit peu, celles-ci étant assez spécifiques sur les mémoires ROM. Les cellules mémoires ROM varient grandement selon le type de mémoire, ce qui explique les différences entre types de ROM.
Les mémoires ROM
Les mémoires ROM les plus simples sont de loin les Mask ROM, qui sont fournies avec leur contenu directement intégré dans la ROM lors de sa fabrication. Ces mémoires ROM sont accessibles uniquement en lecture, mais pas en écriture, sans compter qu'elles ne sont pas reprogrammables. Il est possible de les fabriquer avec plusieurs méthodes différentes, que nous n'allons pas toutes présenter. La plus simple est de loin de prendre une mémoire FROM et de la programmer avec les données voulues. Et c'est d'ailleurs ainsi que procèdent certains fabricants. Mais cette méthode n'est pas très intéressante : le constructeur ne produit alors pas vraiment une "vraie" Mask ROM. À la place, nous allons vous parler des autres méthodes, plus intéressantes à étudier et aussi plus économes en circuits.
Les Mask ROM sont fabriquées en combinant un décodeur avec un OU câblé
Les ROM sont techniquement des circuits combinatoires : leur sortie (la donnée lue) ne dépend que de l'entrée (l'adresse). Et en conséquence, pour chaque mémoire ROM, il existe un circuit combinatoire équivalent. Prenons un circuit qui, pour chaque entrée , renvoie le résultat : celui-ci est équivalent à une ROM dont le byte d'adresse contient la donnée . Et réciproquement : une telle ROM est équivalente au circuit précédent. En clair, on peut créer un circuit combinatoire quelconque en utilisant une ROM, ce qui est très utilisé dans certains circuits que nous verrons dans quelques chapitres. Cependant, cela ne signifie pas que chaque circuit combinatoire soit une mémoire ROM : une vraie ROM contient un plan mémoire, un décodeur, de même que les circuits d'interface avec le bus, des bitlines, et j'en passe.
On peut créer une simili-ROM avec un décodeur et des portes OU
Il existe une sorte d'intermédiaire entre une ROM véritable et un circuit combinatoire optimisé. Rappelons que tout circuit combinatoire est composé de trois couches de portes logiques : une couche de portes NON, une autre de portes ET, et une dernière couche de portes OU. Les deux couches de portes NON et ET calculent des minterms, et la couche de porte OU effectue un OU entre ces minterms. On peut remplacer les deux premières couches par un décodeur, comme nous l'avions vu dans le chapitre sur les circuits de sélection. En effet, par définition, un décodeur est un circuit qui fournit tous les minterms que l'on peut obtenir à partir de l'entrée. Il reste à faire un OU entre les sorties adéquates du décodeur pour obtenir le circuit voulu.
Un tel circuit commence à ressembler à une mémoire, bien que ce soit encore imparfait. On trouve bien un décodeur, comme dans toute mémoire, mais le plan mémoire n'existe pas vraiment car les portes OU ne sont pas des cellules mémoires en elles-mêmes. Néanmoins, ce circuit sert de base aux véritables mémoires ROM, qui s'obtient à partir du circuit précédent.

Le OU câblé

Les mémoires ROM sont conçues en remplaçant les portes OU par un OU câblé (wired OR). Pour rappel, le OU câblé est une technique qui permet d'obtenir un équivalent d'une porte OU juste en reliant les entrées à un même fil. Mais elle demande que le décodeur utilise des sorties à /drain/collecteur ouvert, c'est-à-dire des sorties qui peuvent prendre deux états, dont un qui déconnecte la sortie. Et plus précisément, les sorties sortent un 1 ou sont déconnectées.
On peut alors faire un OU câblé en connectant les sorties sur lesquelles on souhaite faire un OU entre elles. Si toutes ces sorties sont à 0, alors tous les circuits sont déconnectés et la sortie est connectée à la masse à travers la résistance : elle est à 0. Mais si une seule entrée est à 1, alors le 1 d'entrée est recopié sur le fil, ce qui met la sortie à 1.
Certains décodeurs fabriqués avec des portes TTL sont dans ce cas, ce qui est rendu possible par le fait que certaines portes logiques TTL ont des sorties à collecteur ouvert de ce type. Mais avec les transistors CMOS, il faut ruser. L'idée est de transformer les sorties d'un décodeur CMOS normal, en sortie à collecteur ouvert adéquate, en ajoutant un petit circuit en avant d'une sortie normale. Il existe deux manières pour cela : la première utilise une diode, la seconde utilise un transistor. La première méthode donne les ROM à diode, alors que la seconde donne des ROM à transistors MOS.
Les ROM à diodes
Les ROM à diodes sont des mémoires ROM fabriquées en combinant un décodeur avec des diodes pour obtenir un décodeur à sorties à collecteur ouvert. Le OU câblé ressemble donc à ceci, en tenant compte des diodes. Les entrées A et B sont les sorties normales du décodeur, ce ne sont pas des sorties à collecteur ouvert !
![]() Ou câblé fabriqué avec des diodes. |
![]() Wired OR avec des diodes. |
L'intérieur d'une mémoire à diode ressemble à ceci :

Les ROM à transistors MOS
Les ROM de type MOS fonctionnent comme les ROM à diodes, si ce n'est que les diodes sont remplacées par des transistors MOS. On peut utiliser aussi bien des transistors NMOS que PMOS, ce qui donne des circuits très différents. Avec des transistors PMOS, les diodes sont simplement remplacées par des transistors, et le reste du circuit ne change pas. Le transistor PMOS se ferme quand on met un 1 sur sa base, et s'ouvre si on lui envoie un 0. Il se comporte alors un peu comme une diode, d'où le fait que le remplacement se fait à l'identique.
Regardons ce qui se passe quand on veut lire dans une ROM à transistors PMOS. Les cellules mémoire qui contiennent un 1 sont représentées par un simple fil, les autres ont un transistor. Si la cellule mémoire n'est pas sélectionnée, le décodeur envoie un 0 sur la grille du transistor, qui reste fermé. Il se comporte comme un fil.

Si la cellule est sélectionnée, le décodeur envoie un 1 sur la grille du transistor, qui s'ouvre. La bitline est déconnectée de la tension d'alimentation, et est reliée à la masse à travers une résistance : la bitline est mise à 0.

Si un transistor NMOS qui est utilisé, le circuit est en quelque sorte inversé. Rappelons qu'un transistor NMOS se ferme quand on met un 0 sur sa base, et s'ouvre si on lui envoie un 1. En conséquence, les sorties du décodeur sont ici réellement à collecteur ouvert, à savoir qu'elles sont à 0 ou déconnectées. C'est l'inverse de ce qu'on a avec une diode. Les conséquences sont multiples. Déjà, la résistance de rappel est connectée à la tension d'alimentation et non à la masse. De plus, là où on aurait mis une diode dans une ROM à diode, on ne met pas de transistor MOS. Et inversement, on place un transistor MOS là où on ne met pas de diodes.
Les mémoires PROM et autres circuits logiques programmables
Les mémoires ROM et circuits combinatoires sont tous créés de la même manière : une couche de portes NON, suivi d'une couche de portes ET, suivie par une couche de portes OU. La seule différence tient dans la manière dont ces couches sont interconnectées, ainsi que dans le nombre de portes logiques. Et cela nous donne un indice sur la manière de créer des circuits programmables, dont les mémoires PROM ne sont qu'un sous-ensemble.
Les PROM sont regroupées avec d'autres circuits similaires, mais qui ne sont techniquement pas des mémoires. Ces derniers portent les doux noms de Programmable Logic Device (PLD). Il s'agit de circuits qui comprennent un grand nombre de portes logiques, dont un peu programmer les interconnexions. La programmation peut être définitive ou non, ce qui donne différents types de PLD :
- les PLD simples, dont la programmation est définitive, comme sur une PROM ;
- les EPLD dont la programmation est réversible après exposition aux UV comme sur les EPROM ;
- les EEPLD dont la programmation est effaçable électriquement, comme sur les EEPROM.
Les PLD programmables une seule fois
Pour le moment, nous allons uniquement parler des PLD dont la configuration est permanente. Une fois qu'on a configuré ce genre de PLD, le circuit ne peut pas être reprogrammé. Ils servent à créer n’importe quel circuit combinatoire, voire séquentiel pour les plus complexes. Leur intérêt est assez similaire à celui des PROM, comparé aux mask ROM : ils sont plus simples à utiliser. Au lieu de créer un circuit combinatoire sur mesure en interconnectant des portes logiques, autant prendre un PLD et le configurer comme on le souhaite.
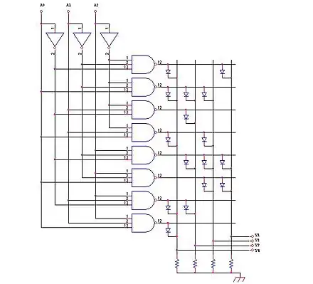
Tous sont fabriqués sur le même modèle, qui est décrit dans ce qui suit. En premier lieu, on trouve une couche de portes NON, reliée aux entrées. En sortie de celle-ci, on trouve les entrées ou leur inverse. On trouve aussi une couche de portes ET et une couche de portes OU. Mais surtout : on trouve des circuits d'interconnexion qui permettent soit de relier les entrées aux portes ET, soit les sorties des portes ET aux entrées des portes OU. Les deux sont appelés respectivement la matrice ET, et la matrice OU.
.svg.png.webp)
Les interconnexions sont programmables une fois, on verra comment elles sont faites plus bas. Pour l'expliquer rapidement, les deux matrices contiennent des circuits permettent de connecter/déconnecter une entrée à une sortie, qui sont représentés par des petits ronds dans le schéma ci-dessous. Pour les PLD simples, ces connecteurs sont des fusibles qui sont grillés si on met une tension trop importantes.
Par défaut, toutes les interconnexions possibles sont présentes. Pour la matrice ET, cela signifie que toutes les entrées sont reliées à chaque porte ET, que tous les minterms sont présents. Pour la matrice OU, cela veut dire que chaque porte ET sont reliées à toutes les portes OU. Lors de la programmation, on va conserver seulement une partie des interconnexions, le reste étant éliminé.

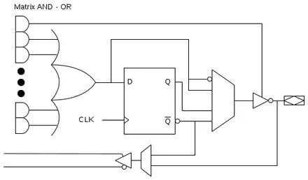
La plupart des PLD récents ajoutent un registre sur leur sortie. Pour cela, en aval de chaque porte OU, on trouve une bascule D qui mémorise la sortie du circuit PLD. Le PLD est un circuit imprimé, qui a une sortie pour chaque porte OU, mais cette sortie n'est pas toujours connectée directement à la sortie de la bascule. La raison est qu'on trouve un MUX qui permet de choisir si on veut récupérer soit le contenu de la bascule, soit la sortie directe de la porte OU. La plupart des PLD ajoutent aussi la possibilité de prendre l'inverse de chaque sortie. Le tout est configuré par quelques bits d'entrée.

La classification des PLD est assez complexe, mais on peut en distinguer trois sous-types principaux :
- Les PLA (Programmable logic array) : les deux matrices ET et OU sont programmables.
- Les PAL (Programmable Array Logic) : la matrice ET est programmable, mais pas la matrice OU.
- Les PROM : la matrice OU est programmable, mais pas la matrice ET.
| Matrice ET non-programmable | Matrice ET programmable | |
|---|---|---|
| Matrice OU non-programmable | Circuit combinatoire | PAL |
| Matrice OU programmable | PROM | PLA |
Les mémoires PROM

Avec une mémoire PROM, la matrice ET est fixée une fois pour toute. L'ensemble matrice ET + portes ET + portes NON forme un simple décodeur, aux sorties à collecteur ouvert. La couche de portes OU peut faite de portes OU câblées, mais ce n'est pas systématique.
L'intérieur d'une mémoire FROM est similaire à celui d'une mémoire ROM simple, sauf que les diodes/transistors (ou leur absence) sont remplacées par un autre dispositif. Précisément, chaque cellule mémoire est composé d'une sorte d'interrupteur qu'on ne peut configurer qu'une seule fois. Celui est localisé à l'intersection d'une bitline et d'un signal row line, et connecte ces deux fils. Lors de la programmation, ce connecteur est soit grillé (ce qui déconnecte les deux fils), soit laissé intact. Pour faire un parallèle avec une ROM à diode, ce connecteur fonctionne comme une diode quand il est laissé intact, mais comme l'absence de diode quand il est grillé.
Suivant la mémoire, ce connecteur peut être un transistor, ou un fusible. Dans le premier cas, chaque transistor fonctionne soit comme un interrupteur ouvert, soit comme un interrupteur fermé. Un 1 correspond à un transistor laissé intact, qui fonctionne comme un interrupteur ouvert. Par contre, un 0 correspond à un transistor grillé, qui se comporte comme un interrupteur fermé. Dans le cas avec les fusibles, chaque bit est stocké en utilisant un fusible : un 1 est codé par un fusible intact, et le zéro par un fusible grillé. Une fois le fusible claqué, on ne peut pas revenir en arrière : la mémoire est programmée définitivement.
Programmer une PROM consiste à faire claquer certains fusibles/transistors en les soumettant à une tension très élevée. Pour cela, le contrôleur mémoire balaye chaque ligne une par une, ce qui permet de programmer la ROM ligne par ligne, byte par byte. Lorsqu'une ligne est sélectionnée, on place une tension très importante sur les bitlines voulues. Les fusibles de la ligne connectés à ces bitlines sont alors grillés, ce qui les met à 0. Les autres bitlines sont soumises à une tension normale, ce qui est insuffisant pour griller les fusibles. En choisissant bien les bitlines en surtension pour chaque ligne, on arrive à programmer la mémoire FROM comme souhaité.
Les mémoires EPROM et EEPROM
Les mémoires EPROM et EEPROM, y compris la mémoire Flash, sont fabriquées avec des transistors à grille flottante, que nous avons déjà abordés il y a quelques chapitres. Je vous renvoie au chapitre sur les cellules mémoire pour plus d'informations à ce sujet. La grille de ces transistors est connectée à la row line, ce qui permet de commander leur ouverture, le drain et la source sont connectés à une bitline.
Les mémoires EPROM
.jpg.webp)
Avant de pouvoir (re-)programmer une mémoire EPROM ou EEPROM, il faut effacer son contenu. Sur les EPROM, l'effacement se fait en exposant les transistors à grille flottante à des ultraviolets. Divers phénomènes physiques vont alors décharger les transistors, mettant l'ensemble de la mémoire à 0.
Pour pouvoir exposer le plan mémoire aux UV, toutes les mémoires EPROM ont une petite fenêtre transparente, qui expose le plan mémoire. Il suffit d'éclairer cette fenêtre aux UV pour effacer la mémoire. Pour éviter un effacement accidentel de la mémoire, cette fenêtre est d'ordinaire recouverte par un film plastique qui ne laisse pas passer les UV.
Les mémoires EEPROM et Flash
Les mémoires Flash et les mémoires EEPROM se ressemblent beaucoup, suffisamment pour que la différence entre les deux est assez subtile. Pour simplifier, on peut dire que les EEPROM effectuent les effacements/écritures byte par byte, alors que les Flash les font par paquets de plusieurs bytes. Là où on peut effacer/programmer un byte individuel sur une EEPROM, ce n'est pas possible sur une mémoire Flash. Sur une mémoire Flash, on est obligé d'effacer/programmer un bloc entier de la mémoire, le bloc faisant plus de 512 bytes. C’est une simplification, qui cache le fait que la distinction entre EEPROM et Flash n'est pas très claire. Dans les faits, on considère que le terme EEPROM est à réserver aux mémoires dont les unités d'effacement/programmation sont petites (elles ne font que quelques bytes, pas plus), alors que les Flash ont des unités beaucoup plus larges.
Les différences entre EEPROM, Flash NOR et Flash NAND
Dans ce cours, nous ferons la distinction entre EEPROM et Flash sur le critère suivant : l'effacement peut se faire byte par byte sur une EEPROM, alors qu'il se fait par blocs entiers sur une Flash. Quant à la reprogrammation, tout dépend du type de mémoire. Sur les EEPROM, elle a forcément lieu byte par byte, comme l'effacement. Mais sur les mémoires Flash, elle peut se faire soit byte par byte, soit par paquets de plusieurs centaines de bytes. Cela permet de distinguer deux sous-types de mémoires Flash : les mémoires Flash de type NOR et les Flash de type NAND. Nous verrons ci-dessous d'où proviennent ces termes, mais laissons cela de côté pour le moment. Sur les Flash de type NOR, on doit effacer la mémoire par blocs, mais on peut reprogrammer les bytes uns par uns, indépendamment les uns des autres. Par contre, sur les Flash de type NAND, effacement et reprogrammation se font par paquets de plusieurs centaines de bytes. Pire : les blocs pour l'effacement n'ont pas la même taille que pour la reprogrammation : environ 512 à 8192 octets pour la reprogrammation, plus de 64 kibioctets pour l'effacement. Par exemple, il est possible de lire un octet individuel, d'écrire par paquets de 512 octets et d'effacer des paquets de 4096 octets. Sur les Flash NAND, l'unité d'effacement s'appelle un bloc (comme pour les Flash NOR), alors que l'unité de reprogrammation s'appelle une page mémoire.

| Reprogrammation Byte par byte | Reprogrammation par blocs entiers | |
|---|---|---|
| Effacement Byte par byte | EEPROM | N'existe pas |
| Effacement par blocs entiers | Flash de type NOR | Flash de type NAND |
Les avantages et inconvénients de chaque type d'EEPROM
En termes d’avantages et d'inconvénients, les différents types de Flash sont assez distincts. Les Flash NOR ont meilleur un temps de lecture que les Flash NAND, alors que c'est l'inverse pour la reprogrammation et l'effacement. Pour faire simple, l'écriture est assez lente sur les Flash NOR. En termes de capacité mémoire, les Flash NAND ont l'avantage, ce qui les rend mieux adaptées pour du stockage de masse. Leur conception réduit de loin le nombre d'interconnexions internes, ce qui augmente fortement la densité de ces mémoires.
Les différents types de Flash/EEPROM sont utilisées dans des scénarios très différents. Les Flash NAND sont idéales pour des accès séquentiels, comme on en trouve dans des accès à des fichiers. Par contre, les EEPROM et les Flash de type NOR sont idéales pour des accès aléatoires. En conséquence, les Flash NAND sont idéales comme mémoire de masse, alors que les Flash NOR/EEPROM sont idéales pour stocker des programmes de petite taille, comme des Firmware ou des BIOS. C'est la raison pour laquelle les Flash NAND sont utilisées dans les disques de type SSD, alors que les autres sont utilisées comme de petites mémoires mortes.
La micro-architecture des mémoires FLASH simples
Les mémoires Flash sont fabriquées avec des transistors à grille flottante, comme pour les mémoires EEPROM. Du point de vue de la micro-architecture, il n'y a pas de différence notable entre EEPROM et mémoire Flash. La seule exception tient dans le plan mémoire et notamment dans la manière dont les cellules mémoires sont reliées aux bitlines (les fils sur lesquels on connecte les cellules mémoires pour lire et écrire dedans). Mais la manière utilisée n'est pas la même entre les Flash NAND et les Flash NOR.
Le tout est illustré dans le schéma qui suit, dans lequel on voit que chaque cellule d'une Flash NOR est connectée à la bitline directement, alors que les Flash NAND placent les cellules en série. De ce fait, les Flash NAND ont beaucoup moins de fils et de connexions, ce qui dégage de la place. Pas étonnant que ces dernières aient une densité mémoire plus importante que pour les Flash NOR (on peut mettre plus de cellules mémoire par unité de surface). Cette différence n'a strictement rien à voir avec ce qui a été dit plus haut. Peu importe que chaque cellule soit connectée à la bitline ou que les transistors soient en série, on peut toujours lire et reprogrammer chaque cellule indépendamment des autres.
![]() FLASH NOR. |
![]() FLASH NAND. |



