La logique abordée dans ce chapitre est parfois appelée logique séquentielle régulière.
|
Définition |
|
On appelle logique séquentielle régulière toute logique séquentielle pour laquelle le calcul de l'état futur en fonction de l'état présent s'exprime facilement avec des opérateurs simples et classiques, par exemple l'opérateur addition pour décrire un compteur. |
Les compteurs sont des éléments très utiles en VHDL. Il permettent de gérer tout ce qui est temporisation et évidemment le comptage.
Le compteur simple
Il est possible d'utiliser un style "case when" (présenté en début de ce livre) pour programmer un compteur. Cela devient vite fastidieux cependant, lorsque le nombre de bits du compteur augmente.
Exercice 1
Combien d'états comporte un compteur de n bits et donc combien de lignes pour chacun des « case » ? Application numérique : prendre n=16.
On notera ** la puissance : 2**n signifie 2 puissance n.
Il possède 2**n états. Pour n=16 cela fait 65536 états donc autant de lignes dans votre compteur. Bonne chance pour l'écriture du programme, on se retrouve ... dans quelques mois. Si c'est dans trois mois, vous avez 655 lignes à écrire par jour... même les vieux instituteurs n'utilisaient pas de punitions si longues...
Eviter une programmation trop fastidieuse
L'idéal serait donc de pouvoir écrire quelque chose du style
compteur <= compteur + 1;
Cela peut se faire en respectant les conditions suivantes :
- utilisation de la librairie IEEE 1164
- utilisation de la librairie IEEE ARITH
- utilisation de la librairie IEEE UNSIGNED
- déclaration de compteur comme std_logic_vector
Avec XILINX cela se fait avec les lignes (devant chacune des entités concernées) :
library ieee;
use ieee.std_logic_1164.all;
use ieee.std_logic_arith.all; -- WARP : use work.std_arith.all;
use ieee.std_logic_unsigned.all;
Mais cette façon de faire n'est pas portable comme le montre le commentaire ci-dessus. Elle reste pourtant très simple par rapport à la façon portable que l'on va présenter maintenant. Les différences commencent par l'utilisation d'autres librairies. Il s'agit maintenant d'utiliser :
library ieee;
use ieee.std_logic_1164.all;
use ieee.numeric_std.all;
Jusque là les changements sont limités mais tout commence à se dégrader avec la suite : remplacer systématiquement
compteur <= compteur+1;
par
compteur <= std_logic_vector(unsigned(compteur)+1);
Oui, nous savons bien que c'est douloureux, mais comme on dit, on a rien sans rien.
Remarque : La bonne solution est en fait de déclarer le signal de la manière suivante :
signal compteur : unsigned;
et de l'incrémenter avec
compteur <= compteur + 1;
De cette façon votre code sera portable car respectant le standard défini par l'IEEE (malgré leurs noms les bibliothèques ieee.std_logic_arith, ieee.std_logic_unsigned et ieee.std_logic_signed ne font pas partie du standard IEEE mais sont des extensions propriétaires développées par Synopsys et dont l'implémentation peut varier suivant les outils de développement).
Voici schématiquement le calcul de l'état futur en fonction de l'état présent pour un compteur :

Remarquez que la fonction de calcul s'écrit de manière très simple à l'aide de l'opérateur d'addition.
Exercice 2
Vous disposez d'une horloge rapide et vous voulez en réaliser une plus lente dont la fréquence est divisée par 32768. Proposez un compteur avec comme entrée horloge et comme sortie h_lente (toutes deux sur un bit). Le compteur intermédiaire sera réalisé par un signal.
Il y a une toute petite subtilité dans cet exercice car le poids 0 divise déjà par 2. Donc le poids 1 par 4 et le poids n par 2**n+1. Comme on veut une division par 32768=2**15, il nous faut un poids de 14, d'où le programme ci-dessous :
-- compteur/timer
library ieee;
use ieee.std_logic_1164.all;
use ieee.std_logic_arith.all;
use ieee.std_logic_unsigned.all;
entity lent is
port(horloge : in std_logic;
h_lente : out std_logic);
end lent;
architecture alent of lent is
signal compteur : std_logic_vector(14 downto 0);
begin
--division de l'horloge par 32768
process(horloge) begin
if(horloge'event and horloge='1') then
compteur <= compteur + 1;
end if;
end process;
h_lente <= compteur(14);
end alent;
Possibilité d'utiliser un signal de type integer
Plutôt que de déclarer des std_logic_vector vous pouvez utiliser le type integer. Dans ce cas le compilateur peut avoir des problèmes pour trouver le nombre de bits nécessaire pour le compteur. Il faudra donc utiliser une comparaison supplémentaire :
architecture a_cmpt of cmpt is
signal Count : integer :=0;
process begin
if (Clk'event and Clk='0') then
if (Count=7) then Count <=0; -- sur 3 bits
else Count <=Count+1;
end if;
end if;
end process;
end a_cmpt;
Nous n'utiliserons pas ce type de programmation dans ce document. Il est juste donné par souci d'exhaustivité.
Compteur avec Remise à Zéro (RAZ)
L'entrée RAZ( Remise à Zéro) (Reset en anglais) sur un compteur est une entrée qui permet de mettre la valeur du compteur à 0. Elle peut être synchrone (prise en compte seulement sur front d'horloge) ou asynchrone. Pour la suite de la section nous utiliserons l'entité que l'on donne maintenant :
library ieee;
use ieee.std_logic_1164.all;
use ieee.std_logic_arith.all;
use ieee.std_logic_unsigned.all;
ENTITY Compteur IS
PORT (
clk,raz :IN std_logic;
q : BUFFER std_logic_vector(3 downto 0));
END Compteur;
Cette entité va nous permettre de présenter la technique synchrone et asynchrone (process seulement) :
-- ******* methode synchrone **********
PROCESS(clk) BEGIN
IF clk'event and clk='1' THEN
IF raz='1' THEN
q <= (OTHERS=>'0'); -- ou q <= "0000";
ELSE
q <= q + 1;
END IF;
END IF;
END PROCESS;
et
-- ******** methode asynchrone *********
PROCESS(clk,raz) BEGIN
IF raz='1' THEN
q<=(OTHERS=>'0'); -- ou q <= "0000";
ELSIF clk'event and clk='1' THEN
q <= q + 1;
END IF;
END PROCESS;
On peut remarquer que la liste de sensibilité n'est pas la même dans les deux cas : "clk" pour le synchrone et "clk,raz" pour l'asynchrone.
Remarque sur le type BUFFER : Xilinx déconseille d'utiliser le type BUFFER dans une entité, particulièrement quand il s'agit d'un signal interne au FPGA (pas une sortie physique). Il conseille plutôt d'utiliser un signal pour compter et une sortie spécifique pour sortir le ou les bits utiles. Pour l'initialisation synchrone, par exemple, le programme complet sera la suivant :
library ieee;
use ieee.std_logic_1164.all;
use ieee.std_logic_arith.all;
use ieee.std_logic_unsigned.all;
ENTITY Compteur IS
PORT (
clk,raz :IN std_logic;
qs : OUT std_logic_vector(3 downto 0)); -- sortie véritable
END Compteur;
ARCHITECTURE aCmpt OF Compteur IS
SIGNAL q : std_logic_vector(3 downto 0); -- signal intermédiaire
BEGIN
-- RAZ synchrone
PROCESS(clk) BEGIN
IF clk'event and clk='1' THEN
IF raz='1' THEN
q<=(OTHERS=>'0');
ELSE
q <= q + 1;
END IF;
END IF;
END PROCESS;
-- toujours faire :
qs <= q;
END aCmpt;
On s'efforcera de respecter cette mise en garde par la suite.
Exercice 3
Réaliser un compteur avec SET et RESET synchrones et asynchrones.
Modifier ce compteur pour qu'il compte jusqu'à 24.
Voici la solution asynchrone :
PROCESS(clk,raz,set) BEGIN
IF raz='1' THEN
q<=(OTHERS=>'0');
ELSIF set='1' THEN
q<=(OTHERS=>'1');
ELSIF clk'event and clk='1' THEN
q<=std_logic_vector(unsigned(q)+1);
END IF;
END PROCESS;
et le compteur qui compte jusqu'à 24 (compris) sur 5 bits donc :
PROCESS(clk,raz,set) BEGIN
IF raz='1' THEN
q<=(OTHERS=>'0');
ELSIF set='1' THEN
q<=(OTHERS=>'1');
ELSIF clk'event and clk='1' THEN
IF unsigned(q) <25 then
q<=std_logic_vector(unsigned(q)+1);
ELSE
q<=(OTHERS=>'0');
END IF;
END IF;
END PROCESS;
Compteur avec chargement parallèle
Le chargement parallèle est en général asynchrone dans les circuits existants. Nous allons le conserver comme tel :
library ieee;
use ieee.std_logic_1164.all;
use ieee.std_logic_arith.all;
use ieee.std_logic_unsigned.all;
ENTITY Compteur IS
PORT (
clk,load :IN std_logic;
qs : OUT std_logic_vector(3 downto 0);
qe : IN std_logic_vector(3 downto 0));
END Compteur;
ARCHITECTURE acmpt OF Compteur IS
SIGNAL q :std_logic_vector(3 downto 0);
BEGIN
qs <= q;
PROCESS(clk,load) BEGIN
IF load='1' THEN
q<=qe;
-- ou q<=31; valeur predefinie
ELSIF clk'event and clk='1' THEN
q<=q+1;
END IF;
END PROCESS;
END acmpt;
Compteur 4 bits BCD avec validation d'horloge
Pour terminer ce chapitre on présente un compteur BCD, c'est à dire qui compte de 0 à 9 qui est emprunté au WikiBook anglais VHDL for FPGA Design.
library IEEE;
use IEEE.STD_LOGIC_1164.ALL;
use IEEE.STD_LOGIC_ARITH.ALL;
use IEEE.STD_LOGIC_UNSIGNED.ALL;
entity Counter2_VHDL is
port( Clock_enable: in std_logic;
Clock: in std_logic;
Reset: in std_logic;
Output: out std_logic_vector(3 downto 0));
end Counter2_VHDL;
architecture Behavioral of Counter2_VHDL is
signal temp: std_logic_vector(3 downto 0);
begin
process(Clock,Reset) begin
if Reset='1' then
temp <= "0000";
elsif(Clock'event and Clock='1') then
if Clock_enable='0' then
if temp="1001" then
temp<="0000";
else
temp <= temp + 1;
end if;
else
temp <= temp;
end if;
end if;
end process;
Output <= temp;
end Behavioral;
Résultats de simulation

Vous pouvez remarquer que dans cet exemple c'est Output(3) qui est le poids faible, ce qui est conforme à sa déclaration "0 to 3". Je préfère quant à moi utiliser un "3 downto 0" ce qui laisse le poids faible avec le numéro 0.
Compteur BCD cascadable
Il n'est pas difficile de trouver le code correspondant sur Internet. Voici par exemple :
-- Fichier : compteur_bcd10.vhdl
-- Description : Compteur BCD de 0 a 9
library IEEE; -- On inclus la librairie IEEE
use IEEE.std_logic_1164.all;
use IEEE.STD_LOGIC_ARITH.ALL;
use IEEE.STD_LOGIC_UNSIGNED.ALL;
ENTITY compteur_bcd10 IS -- Définition des entrées/sorties
-- !!!!! ATTENTION le poids fort est en 0 !!!!!!!!!!!!
PORT(clk, en, clr : IN std_logic;
rco : OUT std_logic;
q : OUT INTEGER RANGE 0 TO 9);
END compteur_bcd10;
ARCHITECTURE behav OF compteur_bcd10 IS
SIGNAL cnt : INTEGER RANGE 0 TO 9; -- signal interne
BEGIN
q <= cnt; -- q, la sortie vaut la valeur du compte actuel en tout temps
PROCESS(clk, clr) -- Process sensible à l’horloge et au “clear”
BEGIN
IF (clr='1') THEN -- “clear” asynchrone
cnt <= 0;
--rco <= ’0’;
ELSIF (clk'EVENT AND clk='1') THEN -- au front montant
IF (en='1') THEN -- si enable est à 1
IF (cnt = 9) THEN -- Si on atteint 9 on fait un rco
cnt <= 0; -- et on remet le compteur a 0
--rco <= ’1’;
ELSE -- Sinon on compte
cnt <= cnt + 1;
--rco <= ’0’;
END IF;
END IF;
END IF;
END PROCESS;
PROCESS(cnt,en) BEGIN
IF cnt=9 and en='1' then
rco <='1';
ELSE
rco <='0';
END IF;
END PROCESS;
END behav;
Compteur décompteur BCD cascadable
Une entrée supplémentaire doit être ajoutée. On l'appellera "ud" pour "Down/up" qui permet de choisir entre un comptage et un décomptage. Voici par exemple :
-- description du composant compteur/decompteur cascadable
library ieee;
use ieee.std_logic_1164.all;
use IEEE.STD_LOGIC_ARITH.ALL;
use IEEE.STD_LOGIC_UNSIGNED.ALL;
entity compteurbcd is port (
clk :in std_logic;
en : in std_logic;
init : in std_logic;
--ud=1 up, ud=0 down
ud : in std_logic;
enout : out std_logic;
s: out std_logic_vector(3 downto 0)
);
end entity;
architecture behavior of compteurbcd is
signal n : std_logic_vector(3 downto 0);
begin
changement : process(clk) begin
if clk'event and clk='1' then
if init ='1' then
n <= (others => '0');
elsif en='1' then
if ud = '1' then --up
if n<9 then
n <= n + 1 ;
else
n <= (others => '0');
end if;
else -- down
if n > 0 then
n <= n - 1 ;
else
n <= "1001";
end if;
end if;
end if;
end if;
end process;
-- gestion enout
enout <= '1' when en='1' and ud='1' and n=9 else
'1' when en='1' and ud='0' and n=0 else
'0';
-- toujours
s <= n;
end behavior;
Comme vous pouvez le voir dans le code, ud=1 permet un comptage tandis que ud=0 permet un décomptage.
Nous avons choisi une autre manière de gérer la sortie "enout" que dans la section précédente : utilisation d'un when else au lieu d'un if. Cela permet d'éviter le process. En effet la gestion avec un if devrait s'écrire :
enableout: process(n,en,ud)
begin
if en='1' then
if ud='1' and n=9 then
enout<= '1';
elsif ud='0' and n=0 then
enout<='1';
else
enout<='0';
end if;
else -- ajouté 4/5/2011 pour eviter comptage intempestif sur dizaine
enout<='0';
end if;
end process;
En voici pour finir une version avec la partie combinatoire réalisée avec un with select when :
library IEEE;
use IEEE.STD_LOGIC_1164.ALL;
use IEEE.STD_LOGIC_ARITH.ALL;
use IEEE.STD_LOGIC_UNSIGNED.ALL;
entity CounterBCD is
port( EN: in std_logic;
Clock: in std_logic;
Reset: in std_logic;
du: in std_logic;
ENO : out std_logic;
Output: out std_logic_vector(3 downto 0));
end CounterBCD;
architecture Behavioral of CounterBCD is
signal cmpt: std_logic_vector(3 downto 0);
signal s_en_cmpt: std_logic_vector(5 downto 0);
begin process(Clock,Reset)
begin
if Reset='1' then
cmpt <= "0000";
elsif(rising_edge(Clock)) then
if EN='1' then
if du='1' then
if cmpt="1001" then
cmpt<="0000";
else
cmpt <= cmpt + 1;
end if;
else
if cmpt="0000" then
cmpt<="1001";
else
cmpt <= cmpt - 1;
end if;
end if;
end if;
end if;
end process;
Output <= cmpt;
s_en_cmpt <= en & du & cmpt;
with s_en_cmpt select
ENO <= '1' when "111001",
'1' when "100000",
'0' when others;
end Behavioral;
Temporisation
L'application la plus courante des compteurs est la temporisation.
Exercice 4 : réalisation des signaux de synchronisation d'un écran VGA
On désire réaliser les deux signaux hsynch et vsynch nécessaire au bon fonctionnement d'un écran VGA. Ils sont caractérisés par les durées suivantes :

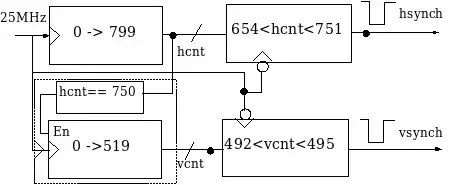
On peut distinguer sur cette spécification un exemple de signaux rouge, vert et bleu en haut, puis les deux signaux qui nous intéressent vraiment "hsynch" et "vsynch". Techniquement la réalisation de ces deux signaux est faite à l'aide de deux compteurs de la manière suivante :

On vous demande de répondre aux questions suivantes :
1°) Calculer la période de l'horloge à 25MHz (P88).
2°) Le compteur 0 -> XXX commence à compter au début des 25,6 μs. Jusqu'à combien doit-il compter pour réaliser ces 25,6 μs?
3°) Il lui faut réaliser ensuite 0,64 μs, jusqu'à combien doit-il compter ? Il lui faut réaliser ensuite 3,8 ms, jusqu'à combien doit-il compter ? Il lui faut réaliser ensuite la période complète 31,75 ms, jusqu'à combien doit-il compter ? (C'est la valeur de XXX à un près) On arrondit en général XXX à 799. Déduire de tout cela la valeur de ZZZ et TTT.
4°) Ce sont les hsynch qui incrémentent le compteur 0->YYY. Quelle est la période correspondante (si l'on prend XXX=799) ?
5°) Combien de temps dure la période des 480 lignes avec le résultat de la question 4° (à comparer à 15,24 ms de la spécification VGA).
6°) À l'aide du résultat de 4°) trouver de combien doit compter le compteur pour réaliser le temps de 0,35 ms.
7°) À l'aide du résultat de 4°) trouver de combien doit compter le compteur pour réaliser le temps de 64 ms.
8°) À l'aide du résultat de 4°) trouver de combien doit compter le compteur pour réaliser la période complète de 16,6 ms. Est-il normal d'arrondir à 520 ?
9°) En déduire les valeurs de UUU et VVV ?
1°) Fh = 25 Mhz => Th = 40 ns
2°) Nb compteur pour 25,6 μs : 25,6 μs/ 40 ns = 640
3°) Nb compteur pour 0,64 μs : 0,64 μs/ 40 ns = 16 Période 31,75 μs / 40 ns = 793,75 arrondi à 800 donc XXX=799.
Durée de la valeur 0 : 3,8 μs soit 95.
Donc en horizontal : 0 <--------->639 <--->655 (639+16) <-->750(655+95)<--->799 donc ZZZ=654 et TTT=751 (car comparaisons strictes) XXX=799 soit 1100011111 en binaire, ce qui nécessite 10 bits.
4°) Période verticale : Tv = 40 ns x 800 = 32 μs
5°) Le signal doit être périodique à 16,6 ms soit un compteur 518,75 arrondi à 520 donc YYY=519 480 lignes durée 480 x 32 μs = 15,36 ms (au lieu de 15,24 ms)
6°) Le temps de 0,35 ms est réalisé par comptage 0,35ms/32 μs = 11
7°) Durée de la valeur 0 pendant 64 μs est réalisée avec comptage de 2
8°) 0 <-------->479 <----->490 (479+11) <---->492 (490+2)<---->519
519 est égal à 1000000111 en binaire (encore 10 bits)
9°) donc UUU=489 et VVV=493 (car comparaisons strictes).
Pour votre information, les valeurs typiques que j'utilise dans mes projets sont : XXX=799, ZZZ=658, TTT=756, et YYY=524, UUU=492, VVV=495
-- Horiz_sync ------------------------------------__________-------- -- H_count 0 640 659 755 799 -- Vert_sync -----------------------------------------------_______------------ -- V_count 0 480 493-494 524
Remarque 1 : Il faut éviter une réalisation avec deux horloges différentes comme c'est le cas dans le schéma proposé ici. Pour votre information vous pouvez trouver un cours sur VHDL et particulièrement dans le chapitre Interfaces VGA et PS/2 la bonne façon de procéder. Cela ne change en rien les valeurs qui sont données ici.
Remarque 2 : Le chapitre Interfaces VGA et PS/2 du cours WIKIVERSITE:VHDL présente un exercice donnant le code VHDL réalisant cette synchronisation.
Registre à décalage
L'opérateur de concaténation "&" est utile pour ce genre de registre. Voici un exemple de registre à décalage vers la droite (vers les poids faible) : le bit de poids faible (indice 0) est perdu, le bit d'entrée est ajouté aux bits restants (indices 7 à 1).
library IEEE;
use IEEE.STD_LOGIC_1164.ALL;
entity ShiftReg is
port(clk,entree : in std_logic;
q : out std_logic_vector(7 downto 0));
end ShiftReg;
architecture aShiftReg of ShiftReg is
signal dataq : std_logic_vector(7 downto 0);
begin
process(clk) begin
if clk'event and clk='0' then
-- c'est ici que l'on concatène le bit d'entrée au registre décalé
dataq <= entree & dataq(7 downto 1);
end if;
end process;
process(dataq)begin
q<=dataq;
end process;
end aShiftReg;
Autre exemple de registre à décalage 4 bits
Cet exemple est encore tiré du WikiBook VHDL for FPGA Design.
library IEEE;
use IEEE.STD_LOGIC_1164.ALL;
use IEEE.STD_LOGIC_ARITH.ALL;
use IEEE.STD_LOGIC_UNSIGNED.ALL;
entity Shift_register_VHDL is
port( Clock: in std_logic;
L,w: in std_logic;
Output: out std_logic_vector(3 downto 0);
Input: in std_logic_vector( 3 downto 0));
end Shift_register_VHDL;
architecture Behavioral of Shift_register_VHDL is
signal temp: std_logic_vector(3 downto 0);
begin
process
begin
wait until Clock'event and Clock='1';
if L='1' then
temp <= Input;
else
for i in 0 to 2 loop
temp(i) <= temp(i+1);
end loop;
temp(3) <= w;
end if;
end process;
Output <= temp;
end Behavioral;
Résultats de simulation

Et maintenant quelques définitions avant de passer à l'exercice suivant.
|
Définition |
|
Nous proposons une méthode qui utilise un registre à décalage à travers un exercice.
Exercice 5 (filtrage de rebonds et/ou aléas)
L'architecture peut être décrite comme suit : un registre à décalage 4 bits sensible aux fronts descendants de T9, une bascule D qui mémorise l'état de notre sortie et une partie combinatoire qui génère un 1 à l'entrée de la bascule D dès que le registre est rempli par 4 bits à 1 et que sortie vaut 0.

Cette figure peut être expliquée de la manière suivante :
- si l'on est avec une horloge à 0 (sortie de la bascule D) seuls une série de 1 dans tout le registre peut le mettre à un.
- si l'on est avec une horloge à 1 (sortie de la bascule D) seuls une série de 0 dans tout le registre peut le mettre à zéro.
Compléter les chronogrammes ci-dessous.

Ceci termine le TD3.