Cascade hyposynchrone
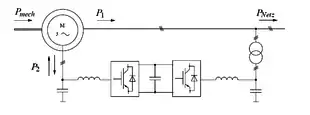
La cascade hyposynchrone (Double fed induction machine en anglais, littéralement machine asynchrone à double alimentation, abrégé en DFIG en anglais) est un dispositif faisant appel à l'électronique de puissance et permettant de commander la vitesse et la consommation en puissance réactive d'une machine asynchrone à rotor bobiné. En cas de réduction de la vitesse, ce montage a l'avantage de ne pas diminuer le rendement, la puissance étant renvoyée dans le réseau. La technique consiste à placer un convertisseur de fréquence entre le réseau électrique et l'alimentation du rotor du moteur.
Cette technique est utilisée pour les gros moteurs, dans les cas de plage de vitesses limitée, par exemple certaines pompes, ventilateurs, et surtout les éoliennes.

Principe
On prélève de la puissance au rotor que l'on réinjecte au réseau de distribution. Cela a pour effet d'augmenter le glissement et donc de ralentir la machine, sans dégrader le rendement[1].
Le montage permet également de réaliser l'opération inverse, c'est-à-dire prélever de la puissance au réseau pour accélérer le moteur. On n'est donc alors en hypersynchronisme et non plus en hyposynchronisme.
Comme l’amplitude et la pulsation des tensions rotoriques sont différents de ceux des tensions de ligne, le renvoi de puissance au réseau ne peut se faire qu’après conversion de tension et de fréquence[2].
Équation de base


Le glissement, g, correspond à la différence de vitesse entre le rotor et le champ statorique exprimée sous la forme d'un pourcentage de la fréquence de rotation.
- , soit
Avec la fréquence de rotation du champ statorique dans la machine et la fréquence de rotation de la machine.
Le glissement est directement lié à la consommation en puissance active du moteur[2] :
En négligeant les pertes, la puissance du rotor, , est proportionnelle au glissement multiplié par la puissance au stator .
Dans le cas de la cascade hyposynchrone la puissance au rotor est également égale à la puissance du circuit en tension continue qui est commandable[2] :
Où et sont respectivement la tension et le courant continus du circuit intermédiaire. Le convertisseur doit donc être dimensionné de manière à avoir :
Si la plage de vitesse souhaitée est limitée, c'est-à-dire que le glissement est limité, la puissance du convertisseur peut être limitée.
Convertisseur

Les trois enroulements du rotor sont connectés à un redresseur dont le courant de sortie est lissé par une bobine de forte inductance. Le redresseur est généralement construit à base d'IGBT. Ce courant continu alimente un onduleur triphasé qui produit un système de courant alternatif triphasé synchronisé sur la fréquence du réseau. La sortie de l'onduleur est connectée au réseau de distribution à travers un transformateur triphasé afin d'adapter le niveau de tension[1].
L'onduleur utilisé peut être un convertisseur à thyristors fonctionnant en onduleur assisté utilisé en récupération d'énergie, autrement dit en onduleur commuté par la charge, ou un onduleur commandable à base d'IGBT. Le premier montage ne permet cependant que de réduire la vitesse du moteur, alors que le second peut également le faire accélérer au besoin.
Régulation
Au niveau de la régulation, si celle-ci gère les courants rotoriques comme c'est souvent le cas, une machine asynchrone à cascade hyposynchrone se comporte exactement comme une machine synchrone à vitesse variable. La commande vectorielle est souvent utilisée pour donner un meilleur comportement dynamique au système. La commande directe du couple est également possible[3],[4].
Divers

Dans un souci de réduire le courant traversant le convertisseur et ainsi ses pertes, l'enroulement du rotor est construit avec plus de spires que celui du stator. Cela a toutefois le défaut de faire augmenter la tension rotorique. Il est impossible pour le moteur de fonctionner en dehors de la plage de vitesse prévue, la tension rotorique devenant alors plus élevée que ce que peut gérer le convertisseur. La tension rotorique pouvant également s'élever brutalement lors de défaut sur le réseau électrique, un circuit de protection court-circuitant les IGBT ou thyristors est nécessaire pour éviter leur destruction.
Par ailleurs, la consommation en puissance réactive du moteur étant couverte à la fois par le stator et le rotor, l'amplitude des courants statoriques est réduite par rapport à un moteur asynchrone simple. Une machine asynchrone à cascade hyposynchrone a même la capacité de fournir de la puissance réactive au réseau.
Le principal défaut de la cascade hyposynchrone est la nécessité d'avoir un rotor alimenté et donc des bagues et des balais sujets à l'usure. Le moteur asynchrone en cage d'écureuil ne peut être employé.
Application
Les éoliennes sont la principale application de la cascade hyposynchrone. Elle a été employée dès les années 1980 dans le projet Growian et reste une des technologies les plus répandues. En comparaison d'une machine synchrone montée en série avec un convertisseur de fréquence, le moteur asynchrone à cascade hyposynchrone a un convertisseur de fréquence de plus petite taille. Toutefois, la première technologie peut utiliser des aimants permanents et ainsi se passer d'une alimentation extérieure du rotor et donc de bague et balais nécessitant de la maintenance[5].
En 2004, le plus gros moteur asynchrone à cascade hyposynchrone d'Europe a été mis en service. Il sert dans la centrale de pompage-turbinage de Goldisthal en Thuringe. Les deux moteurs ont une puissance nominale de 265 MVA, 325 en régime moteur et 265 en générateur, et une plage de vitesse de -10 à +4 %[6].
De 1985 à 1990, cinq moteurs à cascade hyposynchrone servaient dans le poste électrique de Neuhof (en) à échanger de la puissance électrique entre l'Allemagne de l'Ouest et l'Allemagne de l'Est.
Avantages et inconvénients
Avantages :
- vitesse variable ;
- commande indépendante de la consommation en puissance active et réactive ;
- onduleur de taille réduite par rapport à une machine synchrone combinée à un variateur de fréquence ;
- pertes réduites par rapport à une machine synchrone combinée à un variateur de fréquence.
Inconvénients :
- rotor alimenté, donc une maintenance des bagues et balais est nécessaire ;
- sensible aux variations dans le réseau électrique ;
- plage de vitesse plus limitée par rapport à une machine synchrone combinée à un variateur de fréquence.
Références
- (de) Cet article est partiellement ou en totalité issu de l’article de Wikipédia en allemand intitulé « Doppelt gespeiste Asynchronmaschine » (voir la liste des auteurs).
- (en) Cet article est partiellement ou en totalité issu de l’article de Wikipédia en anglais intitulé « Doubly fed electric machine » (voir la liste des auteurs).
- Bendemmagh 2013, p. 34.
- Mohamed Boussak, « Principe de la cascade hyposynchrone » (consulté le ).
- (en) « Controller for a wound rotor slip ring induction machine », sur google patent (consulté le ).
- (en) J. Niiranen, « About the active and reactive power measurements in unsymmetrical voltage dip ride-through testing », Wind Energy 11:121-131, (consulté le ).
- (en) « PMG vs. DFIG – the big generator technology debate » [archive du ], sur The switch (consulté le ).
- (en) « 300 MW Variable Speed Drives for Pump-Storage Plant Application Goldisthal » (consulté le ).
Bibliographie
- Mikhail Kostenko et Ludvik Piotrovski, Machines électriques, t. II, Éditions de Moscou (Mir), , 766 p., p. 614-621.
- Walid Bendemmagh, Commande de la machine asynchrone par la cascade hyposynchrone à base des logiciels SIMPLORER et MATLAB, Université de Sétif, (lire en ligne).
- (de) Siegfried Heier, Windkraftanlagen, Systemauslegung, Netzintegration und Regelung., Stuttgart, B.G. Teubner, , 450 p. (ISBN 3-519-36171-X).
- (de) Alberto Ortega Fraile, Die doppeltgespeiste Asynchronmaschine : Untersuchung als Generator für eine Windkraftanlage, Vdm Verlag Dr. Müller, , 66 p. (ISBN 978-3-639-03244-4).
Lien externe
- (de) « Digital gesteuerte Windkraftanlagen für den Megawattbereich mit doppelgespeistem Asynchrongenerator ohne Lagegeber » (consulté le ).
- Portail de l’électricité et de l’électronique